物件をブックマーク
世田谷三宿エリア、アパレルブランドのこだわりデザイナーズを譲り受ける。
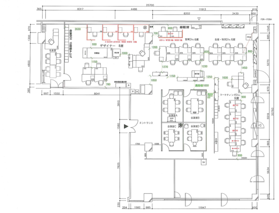
35名程度の執務室、社長室、4つの会議室、ショールームを完備
三軒茶屋駅徒歩8分、入居のタイミングで最も費用のかかると言われる造作をせずともすぐスタートがきれるアパレルブランドの居抜き物件のご紹介。
退去時の原状回復義務は承継する必要はございますが、使い勝手が考えられた内装はコスパ抜群。
アパレルブランドの方は必見ですよ。
三軒茶屋駅から首都高速に沿って池尻大橋駅へ歩いて8分のところに今回ご紹介する物件は位置します。
重厚感のあるファサードは視認性に優れ、エントランスには搬出入に便利なちょっとしたロータリーも完備。
内装はアパレルの会社がリノベーションを施したこだわりのもの。
35名程度の執務室に社長室、4つの会議室とショールームがございます。
こちらはエントランスの様子。

執務室は現状大まかに3セクションに別かれております。
そのままのレイアウト(約35名想定)で使うもよし新たなレイアウトを考えられるのもよし、広さもあるので様々な使い方が想定できそうです。
さらに奥の壁面は全面ガラス張りなので採光も良く、とても気持ちのいいオフィス環境となっております。
こちらは現在社長室として使われているお部屋。
とてもよく考えられた間取りで、こちらのお部屋には執務室を通らずともエレベーターまで直通のドアが備わるのです。便利ですね。
会議室はガラス張り仕様のものが大小4つ。
ガラスは厚めのものを採用しているので防音性もある程度はございます。
現状のレイアウトがこちら。緻密に計算されているであろうレイアウトはとても使い勝手が良さそうに見受けられました。
ちなみにリノベーション前は以下のようなレイアウト。
100坪オーバーのアパレルデザインオフィスを居抜きで借りることができる今回の募集。原状回復義務は引き継ぐ必要がございますが、なかなかこの規模の居抜き譲渡はないので気になる方はぜひ検討していただきたい。なお居抜きでの募集は期間が限られているので、検討していただける方はお早めにご連絡ください。
管理番号:S131011
賃料:
管理費:
住所:世田谷区三宿1
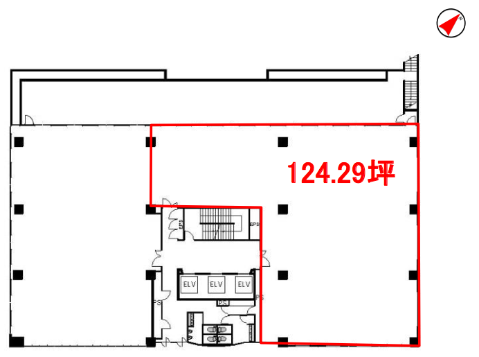
広さ:410.87㎡(124.29坪)
アクセス:田園都市線「三軒茶屋駅」徒歩8分「池尻大橋駅」徒歩10分
構造:鉄骨鉄筋コンクリート造地下1階、地上6階
築年:1991年
敷金・保証金:
礼金:
備考:普通賃貸借契約(2年間)、保証会社利用可、火災保険加入必須、原状回復義務承継必須
〈上記以外で契約時に掛かる主な費用〉
・仲介手数料(賃料1ヶ月分税別)
・前家賃(1ヶ月分)
・日割り家賃(月途中での賃料発生の場合)
・初回保証委託料(賃料合計の最大100%)
・火災保険料
最新記事 by 辰口 (全て見る)
-
水天宮前駅1分、ミニマルデザインのリノベオフィス
[中央区/69万/108㎡] - 2026年1月15日 -
西麻布で空とつながるSOHO物件、ルーフテラス付
[港区/36万/65㎡] - 2026年1月15日 -
三田、公園隣接の50名超規模ハーフセットアップ
[港区/392万/351㎡] - 2026年1月15日 -
大手町、希少なハイグレードビルのセットアップ区画
[千代田区/270万〜/115㎡〜] - 2026年1月14日 -
八丁堀3分、原状回復なし、上質な什器付オフィス
[中央区/62万/60㎡] - 2026年1月9日
